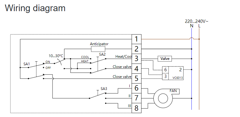
RT 1130J is a mechanical thermostat temperature controller. The temperature controller is used for commercial, industry, medicine and household buildings, which control heating, cooling air-condition fan coil and valves, compare the set temperature with logic circuits and its measurement of temperature,when temperature relative difference more than 1 °C, the fans or motorized valve runs automatically, when the ambient temperature reach the set temperature, fan or motorized valve closes automatically.
RT1130J Mechanical thermostat temperature controller
Features & Specifications
● Fan speed switch, 3 speeds( high-med-low)
● HEAT-OFF-COOL switch
● Temperature adjusting range: +10°C…+30°C
● Power supply 220Vac
● Mechanical control type
● Material: ABS
● Inflated film sensor
● Rated voltage: AC220V,50/60Hz
● Rated current: 4A(16A)
● Temperature differential: ≤ 1℃
Operation:
The RT1130J temperature controller is adjusted very easily by turning the rotary dial on the front of the thermostat to the required temperature setting.
To adjust the set temperature, turn the rotary dial to the left to set a lower temperature, or to the right to set a higher temperature.



